English
Español
Português
русский
Français
日本語
Deutsch
tiếng Việt
Italiano
Nederlands
ภาษาไทย
Polski
한국어
Svenska
magyar
Malay
বাংলা ভাষার
Dansk
Suomi
हिन्दी
Pilipino
Türkçe
Gaeilge
العربية
Indonesia
Norsk
تمل
český
ελληνικά
український
Javanese
فارسی
தமிழ்
తెలుగు
नेपाली
Burmese
български
ລາວ
Latine
Қазақша
Euskal
Azərbaycan
Slovenský jazyk
Македонски
Lietuvos
Eesti Keel
Română
Slovenski
मराठी
Srpski језик
Χαρακτηριστικό προϊόντοςes
1, παραγωγή DC και αποθήκευση DC, μεγαλύτερη απόδοση και χαμηλότερη απώλεια, η οποία είναι κατάλληλη για φωτοβολταϊκά και η ισχύς αποθήκευσης είναι μεγαλύτερη
από τα σενάρια ισχύος φορτίου εκτός δικτύου.
2, προστασία IP65, που ικανοποιεί την εξωτερική χρήση. Το κοντινό MPPT ενισχύει την έξοδο σύγκλισης, η οποία βοηθά στην αποφυγή της καλωδίωσης
σύγχυση που προκαλείται από πολλαπλά φωτοβολταϊκά (PV) καλώδια που μεταδίδονται σε μεγάλες αποστάσεις στο σύστημα all-in-one.
Εύρος φωτοβολταϊκών εισόδων 3, 200-900V ευρείας τάσης, που υποστηρίζει την πρόσβαση στη φωτοβολταϊκή μονάδα υψηλού ρεύματος της βιομηχανίας.
4、Πολυκαναλικό MPPT, που συναντά τον πολυγωνικό πίνακα PV
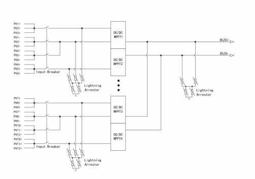
Διάγραμμα καλωδίωσης

Προσδιορισμός
| Μοντέλα | MPPT-8 | MPPT-6 | MPPT-12 | |
| Διασύνδεση PV-Side Παράμετροι |
Μέγιστη τάση Φ/Β συστοιχίας | 900V | ||
| Εύρος τάσης MPPT | 200V-900V | |||
| Ονομαστική περιοχή τάσης MPPT | 560V-900V | |||
| Μέγιστο ρεύμα διακλάδωσης | 24Α | 20Α | ||
| Αριθμός στοιχειοσειρών εισόδου ΦΒ | 8 | 6 | 12 | |
| Αριθμός MPPT | 8 | 2 | 4 | |
| Ρεύμα ανά MPPT | 20Α | 55Α | ||
| Παράμετροι εξόδου | Εύρος τάσης | 600-950V | ||
| Ονομαστική τάση | Προεπιλογή 716,8V, ρυθμιζόμενο | |||
| Ονομαστικό ρεύμα εξόδου | 118Α | 84Α | 168Α | |
| Ονομαστική ισχύς εξόδου | 84 kW | 60 kW | 120 kW | |
| Μέγιστο ρεύμα εξόδου | 192Α | 120Α | 240Α | |
| Παράμετροι Συστήματος | EUe ciency | 99,4% | ||
| βαθμός IP | IP65 | |||
| Έννοια ψύξης | Φυσική μεταφορά | Αναγκαστική ψύξη αέρα | ||
| Διαστάσεις (Π*Β*Υ) | 550x530x280mm | 630×460×260 χιλιοστά | 630×460×260 χιλιοστά | |
| Βάρος | 42 κιλά | 25 κιλά | 30 κιλά | |
| Θερμοκρασία λειτουργίας | -30~55℃ | |||
| Τρόποι τροφοδοσίας | Αυτοτροφοδοτούμενο (χωρίς κατανάλωση ρεύματος τη νύχτα) | |||
| Διεπαφή επικοινωνίας | RS485 | |||
