English
Español
Português
русский
Français
日本語
Deutsch
tiếng Việt
Italiano
Nederlands
ภาษาไทย
Polski
한국어
Svenska
magyar
Malay
বাংলা ভাষার
Dansk
Suomi
हिन्दी
Pilipino
Türkçe
Gaeilge
العربية
Indonesia
Norsk
تمل
český
ελληνικά
український
Javanese
فارسی
தமிழ்
తెలుగు
नेपाली
Burmese
български
ລາວ
Latine
Қазақша
Euskal
Azərbaycan
Slovenský jazyk
Македонски
Lietuvos
Eesti Keel
Română
Slovenski
मराठी
Srpski језик
Χαρακτηριστικά προϊόντος
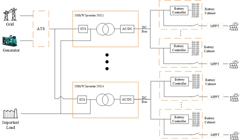
1. Φορτία που υπερβαίνουν τα 500 kW, συνιστάται η χρήση ενός μετατροπέα αποθήκευσης ενέργειας μίας μονάδας μεγάλης χωρητικότητας 500 kW, ο οποίος είναι ικανός να υποστηρίζει έως και τέσσερα σετ παράλληλων συνδέσεων, επιτυγχάνοντας συνολική ισχύ εξόδου 2 MW.
2. Όταν λειτουργούν παράλληλα πολλαπλά συστήματα 500 kW και διανέμονται διαφορετικοί μετατροπείς STScross 500 kW, είναι σημαντικό να διασφαλίζεται ότι το μήκος του καλωδίου από το σημείο σύνδεσης του δικτύου μέχρι το σημείο σύνδεσης φορτίου είναι συνεπές.
3.Το υβριδικό ESS χρησιμοποιεί φωτοβολταϊκή ενσωμάτωση συζευγμένη με DC, επιτυγχάνοντας υψηλή απόδοση μετατροπής ενέργειας και βελτιστοποιημένη για σενάρια εκτός δικτύου με ικανότητα παραγωγής Φ/Β που υπερβαίνει τη ζήτηση φορτίου. Εξωτερική βαθμολογία MPPT
Οι ελεγκτές ενσωματώνουν τις λειτουργίες συνδυασμού και MPPT σε ένα ενιαίο σκληρυμένο περίβλημα. Το πλήρες σύστημα περιλαμβάνει μια προαιρετική γεννήτρια ντίζελ ATS, έναν υβριδικό μετατροπέα 300 kW, ελεγκτή PV MPPT και μια μπαταρία
σύστημα αποθήκευσης ενέργειας.


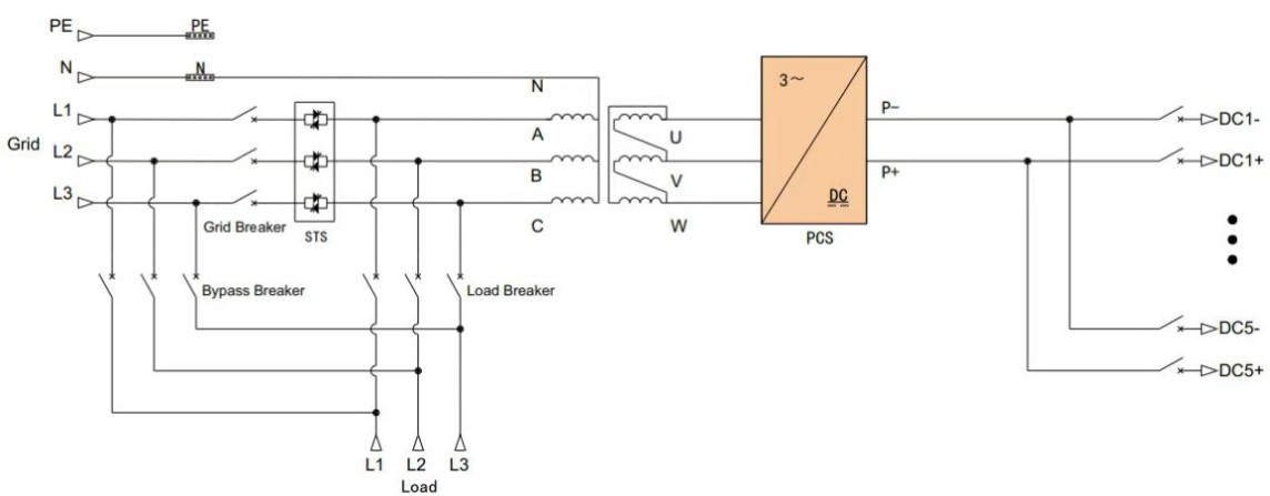
Προσδιορισμός
| Μοντέλα | P500TS-400-A | |
|
Παράμετροι DC-Side |
Εύρος τάσης | 500-950V |
| Μέγιστο ρεύμα | 1128Α | |
| Ονομαστική ισχύς εξόδου | 500 kW | |
|
Παράμετροι AC-Side (συνδεδεμένο στο δίκτυο) |
Μέγιστη ισχύς εξόδου | 550 kW |
| Ονομαστικό ρεύμα εξόδου | 722Α | |
| ΘΔΙ | <3% | |
| Τύπος πλέγματος | 3W+N+PE | |
| Εύρος τάσης | 360VAC~440VAC | |
| Εύρος συχνοτήτων | 45~55Hz/55~65Hz | |
| Συντελεστής ισχύος | -1~1 | |
| Ονομαστική ισχύς εξόδου | 500 kW | |
|
Παράμετροι πλευράς AC (Εκτός δικτύου) |
Ονομαστική τάση εξόδου | 400V |
| Ονομαστική συχνότητα εξόδου | 50/60Hz | |
| THDu | <1%γραμμικό φορτίο,<5%Μη γραμμικό φορτίο | |
| Ικανότητα υπερφόρτωσης | 110% 10 Λεπτά | |
| Διακόπτης παράκαμψης συντήρησης | 1250Α | |
|
Διακόπτης Off-Grid και διαμόρφωση διακόπτη |
Διακόπτης DC | 1250Α |
| Διακόπτης φόρτωσης | 1250Α | |
| Διακόπτης δικτύου | 1250Α | |
| Μονάδα STS | 1155A/800kW | |
| Χρόνος εναλλαγής | <20 ms | |
|
Παράμετροι συστημάτων |
Αποτελεσματικότητα αιχμής | 97,5% |
| Θερμοκρασία λειτουργίας | -30 ~ 55 ℃ (Μέση τιμή πάνω από 40 ℃) | |
| Σχετική υγρασία | 0 έως 95% RH, Χωρίς συμπύκνωση | |
| Διαστάσεις(L*D*H) | 1600×1050×2050 χιλιοστά | |
| Βάρος | 2700 κιλά | |
| IPgrade | IP21 IP21 (Ολοκληρωμένο μηχάνημα) | |
| Θόρυβος | <70dB | |
| Οθόνη προβολής | οθόνη υγρού κρυστάλλου | |
| Επικοινωνία BMS | ΚΟΥΤΙ | |
| Επικοινωνία EMS | TCP/IP | |