Μεσαίο Υβριδικό Σύστημα

Μεσαίο Υβριδικό Σύστημα

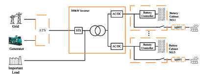
Ένα σύστημα αποθήκευσης ενέργειας εντός και εκτός δικτύου ενσωματώνει την παραγωγή ενέργειας από φωτοβολταϊκά (PV), την αποθήκευση ενέργειας και τον έξυπνο έλεγχο. Μπορεί να λειτουργήσει τόσο σε λειτουργία σύνδεσης στο δίκτυο όσο και σε αυτόνομη λειτουργία, εξασφαλίζοντας συνεχή και σταθερή παροχή ρεύματος.

Αποστολή Ερώτησης

περιγραφή προϊόντος


Χαρακτηριστικό

Το σύστημα χρησιμοποιεί αρθρωτές μονάδες μετατροπέα σε παράλληλη διαμόρφωση, όπου

η είσοδος DC κάθε μονάδας μετατροπέα αντιστοιχεί σε μια ειδική θήκη μπαταρίας,

επιτρέποντας τη διαχείριση ανά συστάδα να εξαλείψει τα κυκλοφορούντα ρεύματα μεταξύ

χορδές μπαταρίας.

Οι μονάδες ισχύος AC/DC υποστηρίζουν ευέλικτη ανάπτυξη τόσο σε ποσότητα όσο και σε

ονομαστική ισχύς, με μέγιστη χωρητικότητα μονάδων 60 kW σε παράλληλο 5 μονάδων

διαμόρφωση.

Η έξοδος AC από τις μονάδες ισχύος παρέχεται μέσω ενός μετασχηματιστή

απομονωμένη βαθμίδα εξόδου, που παρέχει ισχύ στο φορτίο με ισχυρή αντίσταση

τρέχον σοκ.

Το υβριδικό ESS χρησιμοποιεί φωτοβολταϊκή ολοκλήρωση με σύζευξη DC, επιτυγχάνοντας υψηλή

αποδοτικότητα μετατροπής ενέργειας και βελτιστοποιημένη για σενάρια εκτός δικτύου με Φ/Β

Δυνατότητα παραγωγής που υπερβαίνει τη ζήτηση φορτίου· Ελεγκτές MPPT με αξιολόγηση εξωτερικού χώρου

ενσωματώστε τις λειτουργίες συνδυασμού και MPPT σε ένα ενιαίο σκληρυμένο περίβλημα.

Το πλήρες σύστημα περιλαμβάνει μια επιλογή γεννήτριας ντίζελ ATS, μια υβριδική 300 kW

μετατροπέας, ελεγκτής PV MPPT και σύστημα αποθήκευσης ενέργειας μπαταρίας.



Χαρακτηριστικό

Το σύστημα χρησιμοποιεί αρθρωτές μονάδες μετατροπέα σε παράλληλη διαμόρφωση, όπου

η είσοδος DC κάθε μονάδας μετατροπέα αντιστοιχεί σε μια ειδική θήκη μπαταρίας,

επιτρέποντας τη διαχείριση ανά συστάδα να εξαλείψει τα κυκλοφορούντα ρεύματα μεταξύ

χορδές μπαταρίας.

Οι μονάδες ισχύος AC/DC υποστηρίζουν ευέλικτη ανάπτυξη τόσο σε ποσότητα όσο και σε

ονομαστική ισχύς, με μέγιστη χωρητικότητα μονάδων 60 kW σε παράλληλο 5 μονάδων

διαμόρφωση.

Η έξοδος AC από τις μονάδες ισχύος παρέχεται μέσω ενός μετασχηματιστή

απομονωμένη βαθμίδα εξόδου, που παρέχει ισχύ στο φορτίο με ισχυρή αντίσταση

τρέχον σοκ.

Το υβριδικό ESS χρησιμοποιεί φωτοβολταϊκή ολοκλήρωση με σύζευξη DC, επιτυγχάνοντας υψηλή

αποδοτικότητα μετατροπής ενέργειας και βελτιστοποιημένη για σενάρια εκτός δικτύου με Φ/Β

Δυνατότητα παραγωγής που υπερβαίνει τη ζήτηση φορτίου· Ελεγκτές MPPT με αξιολόγηση εξωτερικού χώρου

ενσωματώστε τις λειτουργίες συνδυασμού και MPPT σε ένα ενιαίο σκληρυμένο περίβλημα.

Το πλήρες σύστημα περιλαμβάνει μια επιλογή γεννήτριας ντίζελ ATS, μια υβριδική 300 kW

μετατροπέας, ελεγκτής PV MPPT και σύστημα αποθήκευσης ενέργειας μπαταρίας.









Προδιαγραφές

Μοντέλα P200TS-400-A P250TS-400-A P300TS-400-A

Παράμετροι DC-Side
Εύρος τάσης 650-950 Vdc
Διακόπτης εισόδου ανά μονάδα 250Α
Αριθμός καναλιών DC 3 τρόπο 4 τρόπος 5 τρόπος

Παράμετροι AC-Side
(συνδεδεμένο στο δίκτυο)
Ονομαστική ισχύς εξόδου 200 kW 250 kW 300 kW
Μέγιστη ισχύς εξόδου 220 kW 275 kW 330 kW
Ονομαστικό ρεύμα εξόδου 289Α 361Α 433Α
ΘΔΙ <3%
Τύπος πλέγματος 3W+N+PE
Εύρος τάσης 360Vac~440Vac
Εύρος συχνοτήτων 45~55Hz/55~65Hz
Συντελεστής ισχύος -1~1

Νησιώτικη
Παράμετροι AC-side
Ονομαστική ισχύς εξόδου 200 kW 250 kW                     300 kW
Ονομαστική τάση εξόδου 400Vac
Ονομαστική συχνότητα εξόδου 50/60Hz
THDu <1% γραμμικό, <5% μη γραμμικό<1% γραμμικό, <5% μη γραμμικό
Ικανότητα υπερφόρτωσης 110% υπερφόρτωση για 10 λεπτά 110% για 10 λεπτά

Grid-Islanding
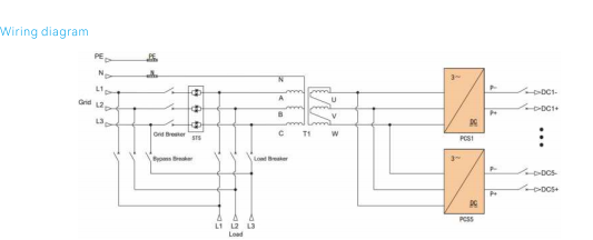
Μεταφορά και εξοπλισμός διανομής
Διακόπτης παράκαμψης συντήρησης 400Α 630Α
Διακόπτες δικτύου 630Α 800Α
Διακόπτες φόρτωσης 400Α 630Α
Μονάδα STS 577A/400kW 722A/500kW
Χρόνος εναλλαγής <20 ms

Παράμετροι συστημάτων
Μέγιστη απόδοση 97,5%
Θερμοκρασία λειτουργίας -30~55℃-30~55℃(Μέση τιμή πάνω από 40℃)
Σχετική υγρασία 0~95%RH,0~95%RH,Μη συμπύκνωση
Διαστάσεις(L*D*H) 1300×1050×2050 χιλιοστά
Βάρος 1400 κιλά 1700 κιλά               1800 κιλά
IPgrade IP21 IP21 (Πλήρη σετ)
Θόρυβος <70dB
Οθόνη προβολής Οθόνη αφής LCD
Επικοινωνία BMS ΚΟΥΤΙ
Επικοινωνία EMS TCP/IP


Hot Tags: Μεσαίο Υβριδικό Σύστημα
Αποστολή Ερώτησης
Μη διστάσετε να δώσετε το ερώτημά σας στην παρακάτω φόρμα. Θα σας απαντήσουμε σε 24 ώρες.
X
Χρησιμοποιούμε cookies για να σας προσφέρουμε καλύτερη εμπειρία περιήγησης, να αναλύσουμε την επισκεψιμότητα του ιστότοπου και να εξατομικεύσουμε το περιεχόμενο. Χρησιμοποιώντας αυτόν τον ιστότοπο, συμφωνείτε με τη χρήση των cookies από εμάς. Πολιτική Απορρήτου